e-mail:
info@ommateh.ru
,
sales@ommateh.ru
адрес:
г.Владимир ул.Красноармейская 43Г
Отправить запрос
Минимум слов,
максимум действий
+7 (499) 322 93 96
Заказать звонок
Режим работы: 8:30 - 17:30
Поставки электротехнического
оборудования и запчастей
Меню
—
Главная
О компании
Вопрос - Ответ
Партнеры
Новости
Проекты
Каталог
Кабели и провода
Общепромышленные электродвигатели
Преобразователи частоты
Промышленные редукторы и мотор-редукторы
Серводвигатели и сервомеханизмы
Специальные электродвигатели
Тахогенераторы
Электрографитовые щетки
Электродвигатели переменного тока
Электродвигатели с фазным ротором
Электродвигатель постоянного тока
Электромагнитные тормоза и комплектующие
Электроприводы постоянного тока
Энкодеры
Датчики обратной связи
Производители
Покупатели
Новости
Сертификаты
Проекты
Контакты
Абсолютный энкодер TRT
Главная
/
Каталог
/
Энкодеры
/
Энкодеры TWK-Elektronik GmbH
/
Абсолютный энкодер TRT
Кабели и провода
ConCab Kabel Gmbh
Высокотемпературный и Термостойкий кабель
Кабель для лифтов
Кабель для передачи данных BUS-систем
Кабель для подключения датчиков
Кабель для робототехники
Кабель манипулятора
Кабель передачи данных
Кабель силовой гибкий
Кабель управления
Кабеля для стационарного монтажа
Коммуникационный кабель
Компенсационный кабель
Крановый кабель
Моторный кабель
Одножильный провод
Спиральный кабель
Телефонный кабель
Шланговый кабель
Общепромышленные электродвигатели
ABB
Cantoni Group
Emod Motoren GmbH
Leroy Somer
LOHER
Menzel Elektromotoren GmbH
Vascat S.A.
Преобразователи частоты
ABB
Baumuller
Bonfiglioli Vectron
Control Techniques
Lenze
Parker Hannifin
Vacon
Промышленные редукторы и мотор-редукторы
Bauer gear motor
Bonfiglioli
Brevini
Comer Industries Spa
Flender
Knödler-Getriebe GmbH & Co. KG
Lenze
Leroy Somer
Reggiana Riduttori S.R.L.
SEW eurodrive
Серводвигатели и сервомеханизмы
AMK
Baumuller
Control Techniques
EM Brno s.r.o
Georgii Kobold GmbH
Parker
Siemens
Специальные электродвигатели
HIMMEL Technologies
OSWALD GmbH
Perske GmbH
SSD Parvex
STOBER
Тахогенераторы
Лифтовые тахогенераторы
Тахогенераторы с полым валом
Тахогенераторы со сплошным валом
Электрографитовые щетки
CZ-CARBON PRODUCTS s.r.o.
ELEKTROKARBON A.S.
MERSEN
Schunk Carbon
Электродвигатели переменного тока
Baumuller
Comer Srl
LDW GmbH
MAGNETIC
OEMER MOTORI
Sicme motori
Siemens
Vascat Sa
Электродвигатели с фазным ротором
Электродвигатель постоянного тока
Vascat S.A.
Siemens
ABB
Ansaldo
Baumüller
Brusatori
CEAR S.R.L.
Comer S.R.L.
Dynamo Sliven
Elbtalwerk GmbH
Ew Hof GmbH
Faurndau
Femsan
Fimet
Helmke
Hyosung
Isoflux
Lenze
Leroy Somer
Magnetic
Menzel
Mez brno
Oemer
Reliance Electric
Sicme motori
Simo
Stipaf
T-T Electric
Tes Vsetin
WEG
Электромагнитные тормоза и комплектующие
Anadolu
Arient
Dereli
EMA-ELFA
EMF
Intorq GmbH & Co. KG
KEB
Kendrion GmbH
Mayr
NORD
Nursan
PRECIMA Magnettechnik
TEMPORITI
Uhing
VIS
Электроприводы постоянного тока
Lenze
Baumuller
ABB
Control techniques Ltd
Parker Hannifin
Siemens
Энкодеры
Энкодеры Baumer Hubner GmbH
Энкодеры BEI SENSORS
Энкодеры Kübler Group
Энкодеры RADIO-ENERGIE TECHNOLOGY
Энкодеры TWK-Elektronik GmbH
Энкодеры Wachendorff automation GmbH
Датчики обратной связи
Стоимость уточняйте у менеджера
Форма оплаты:
Безналичная
Купить
Описание абсолютный энкодер TRT
Размер:
1367.3 Кб.
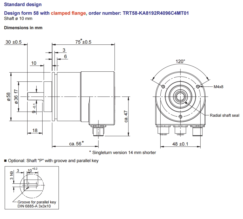
Абсолютный энкодер TRT
Бренд
TWK-ELEKTRONIK
Тип товара
Энкодер
Монтажное исполнение
Сплошной вал
Степень защиты
IP 69K
Масса
450 г
Количество импульсов на один оборот вала
8192
Интерфейс
PROFINET
Похожие товары
Абсолютный энкодер KBN
подробнее
Абсолютный энкодер TBD58
подробнее
Абсолютный энкодер CRD/S3
подробнее
Задать нам вопрос
Заказать товар
Оставьте ваши контакты, и наш менеджер свяжется в Вами в ближайшее время
Купить
Заказать обратный звонок
Оставьте ваши контакты, и наш менеджер свяжется в Вами в ближайшее время
Защита от автоматических сообщений
Введите слово на картинке
*
Отправить